Gamoover

[move]Vous aimez la série Ricky la belle vie, Julio Iglésias ou l'émission Kohlanta ? Alors soyez les bienvenus sur Gamoover ! [/move]

[Wip] Le twin des éditions Del Prado (F355/Scud Race)

Démarré par Corwin, Samedi 13 Décembre 2025, 09:41:27 AM

Corwin

#16
Petite journée de repos et beaucoup de nettoyage pour permettre le transfert de tous les câbles et toute la partie électronique de la Scud race dans un "bac" de f355 en meilleur état.
Marrant de constater les petites différences entre les deux mais c'est vraiment très facile à brancher avec des détrompeurs partout et les passages de câbles "logiques".





J'en profite pour extraire un ampli dont les condos demandent une vérif et pour certains un changement.



Revenons maintenant à la première partie de mon twin.

J'ai une question pour ceux qui ont une f355. La partie sonore a deux connecteurs stéréo? Quelle est la raison vu que la borne est 2.1? Vous reliez comment à un pc du coup? :-X

Enfin j'ai aussi du élargir les trous du shifter de delo. Comme je semble avoir un peu la poisse en ce moment j'ai constaté qu'en plus de ne pas pouvoir être fixé directement à cause de cette légère déviation (déjà corrigée simplement en perçant plus gros) la structure en plastique noire du shifter était fendue au niveau d'une des grosses vis latérale. :'( 
Je ne vois pas comment ça a pu arriver. Ou si c'est dans le transport et je n'ai pas vu au déballage car c'est discret.
Bref j'espère juste que ça ne va pas lâcher je n'ai même pas eu l'occasion de m'en servir encore.

Avant le perçage :



Après je peux maintenant mettre toutes les fixations et surtout le shifter est droit.



En utilisant le cache d'origine pour vmu (identique amha à celle d'un séquentiel) j'ai enlevé la plaque supérieure du shifter de delo sinon ça ne passe pas. Je réfléchis à une solution pérenne. Impression 3d sur mesure ou...

J'ai déjà testé avec les vis percées du shifter d'origine de la Scud et le cache mais ça ne passe pas car avec l'épaisseur du shifter de delo on ne peux pas faire rentrer la cache en haut au niveau du panel.






En attendant ça fonctionne, le paramétrage est vraiment très simple avec le logiciel d'njz3.



Corwin

J'ai fait rentrer la seconde partie avant un remontage progressif au fur et à mesure du nettoyage des éléments.



Je ne pensais pas aller si vite mais l'expérience engrangée sur la première partie m'a fait gagner beaucoup de temps. <:)

Tibal

#18
Cool tu avances bien ! :)

Pour le son, je n'ai pas mes bornes sous la main mais d'après les plans, c'est un ampli 4 voies où seulement 2 voies sont utilisées en sortie.
Il semblerait que le jeu d'origine envoie le son sur 4 voies, l'ampli les reçoit séparément, les mixe, et les ressort sur seulement 2 HP.

Pour brancher au PC, tu peux utiliser les câbles RCA d'origine qui se branchent normalement à la filterboard Naomi, en ajoutant un adaptateur Jack vers RCA

Corwin

Pour le son je n'ai toujours rien. J'ai tenté un swap d'ampli en vain. Même résultat. Ça souffle fort (normal car je n'ai pas la cashbox branchée). Mais rien ne sort.
En branchant une autre source sur la même entrée j'arrive à percevoir un très léger son en étant à fond mais c'est presque inaudible sans coller l'oreille au HP. Donc y'a bien un truc qui passe quand même mais...

Sinon pour parler de quelque chose de plus positif que serait le twin des éditions del prado sans une réception!? :D



Qu'est ce? ;)


Mystère bientôt résolu en photo mais c'est un beau craquage.




Corwin

#20
Un beau bloc volant + panel avec les vitesses bien entendu!

Bon ça m'a coûté un bras, c'était pas prévu à la base mais finalement les palettes c'est la vie et ça me permettra d'avoir toutes les configs sur la borne en 31khz si on excepte le volant 900(?)° des initials D.

Au passage je récupère un panel en bien meilleur état et coup de chance j'ai aussi trouvé un beau volant avec emblème.  :-)=



J'en profite pour changer les "rondelles" et cette fois ci aucun problème pour le démontage.



Comme quoi c'était vraiment un problème avec les premières palettes. Je ne comprenais pas pourquoi les autres personnes n'avaient eu aucun souci avec ces dernières et maintenant je comprends :)  Là sans forcer c'était ok.

Lors de démontage j'ai constaté en revanche que la partie ressorts avait été changée (ou dépouillée...) donc il faudra que je me penche là dessus un jour car le ressenti diffère à cause de ça.




JO73

Salut,

tu sais me dire ce que c'est comme combo dans les F355 twin ?

Je suis la restauration, ca me motivera a attaquer la mienne.

Corwin

Citation de: JO73 le Lundi 26 Janvier 2026, 21:26:23 PMSalut,

tu sais me dire ce que c'est comme combo dans les F355 twin ?

Je suis la restauration, ca me motivera a attaquer la mienne.

Hello,

oui ce sont des Ms2932+KJU que j'ai.

Corwin

#23
En ce moment je me penche sur la partie alimentation et les tensions en entrée de certaines cartes.

Si certains qui passent par ici pouvaient me dire ce qu'ils ont en réel en entrée de la motorboard et en entrée de l'ampli son ainsi que le "100v" normalement prévu avant l'alimentation secondaire (devrait être la même qu'en entrée de motorboard?), + sortie de prise enedis chez vous.

Perso j'ai sur la partie Scud race:

- 122 V en moyenne en entrée de motorboard
- 12,9 V avant l'ampli son
- 12X V avant l'alim "Naomi"
- 239 V mini Enedis

Mon transfo est le suivant sur la f355, il me semble moyennent adapté pour ma situation, qu'en pensez vous?



Je suis aussi de train m'occuper du second pc et pas de chance la CM ne supporte pas le boot au retour du courant (sauf si coupure non désirée). Je pensais cette option commune mais finalement ce n'est pas le cas.

Les seules que j'ai trouvées et qui le peuvent avec certitudes sont les cartes mères Gigabyte qui ont l'option AC back en plus de l'option de coupure de courant.


Corwin

#24
J'ai profité du changement de la carte mère du pc (msi -> gigabyte) pour fixer le tout convenablement dans le side câblé avec la Scud race...

Et il n'y a pas à dire c'est un beau bordel en comparaison de la f355.  ):)




Entre temps j'ai aussi "bossé" sur les câbles qui relient la cashbox aux deux côtés.

Pas de chance pour moi les câbles sont partiellement compatibles.
Les dégauss, service, test ainsi que le premier potard sont ok mais pas la gestion du second. Ce qui n'a pas aidé pour isoler l'origine des problèmes sonores.





Sur le câble fourni il n'y a rien pour relier le prise 3pins de la borne à celle 4pins de la cashbox. C'est bien par là que passent les câbles pour la gestion du volume du second potard.

Au final en remontant les câbles un par un et un peu de déduction (à mon niveau ça veut dire beaucoup  :D ) ainsi qu'en comparant les images du câble de la coin tower mini de tibal j'ai compris vaguement ce que je devais faire  ;D

J'ai sorti mon plus beau trombone pour extraire les amp UP souhaités que j'avais en spare et quelques "minutes" plus tard.

 



Bon ça marche... Mais j'ai toujours plusieurs soucis que je vais lister:

- un hp du siège ne semble fonctionner que si j'augmente le son au dessus d'un certain volume, sinon un seul coté fonctionne  :-X
- j'ai un souffle de malade dans les HP du siège même potard à zéro  >:(
- le volume arrière est beaucoup plus fort que l'avant, est ce normal?  :-\
- j'ai mon caisson qui fait bzzzz bzzzz clac clac au lieu de boom boom  :-[

Bref  :-((  :-((  :-((  :-((  :-((



Tibal

C'est cool tu avances bien :)

Pour l'équilibre du son avant/arrière, ça se pilote justement avec les potentiomètres de la Coin Tower en théorie, ça donne quoi si tu montes l'avant et baisses l'arrière ?

Pour tes 2 premiers soucis, essaie d'intervertir des éléments (amplis, voies gauche/droite par exemple) pour trouver la source du problème.

Corwin

#26
Oui ça progresse bien même si j'ai été ralenti par un crash de SSD. ^^

Citation de: Tibal le Lundi 16 Février 2026, 09:30:14 AMPour l'équilibre du son avant/arrière, ça se pilote justement avec les potentiomètres de la Coin Tower en théorie, ça donne quoi si tu montes l'avant et baisses l'arrière ?

J'arrive bien à trouver l'équilibre mais il faut que le volume Front soit à par exemple 1/2 quand le Rear est à 1/5.
Après c'est peut être normal mais je n'ai pas de point de comparaison. Il est évident qu'en position assise les hp arrières nous paraissent plus fort à volume égal du fait de la proximité mais pas à ce point j'imagine. De plus j'ai du son à l'arrière volume 0... Mon câblage serait défaillant?

Citation de: Tibal le Lundi 16 Février 2026, 09:30:14 AMPour tes 2 premiers soucis, essaie d'intervertir des éléments (amplis, voies gauche/droite par exemple) pour trouver la source du problème.

- Si j'inverse droite est gauche le problème est inversé.
- Pour le moment je n'ai pas d'ampli de rechange pour modèle 3 mais ça arrive. L'ampli "front" pour lequel j'avais changé le condo semble mieux fonctionner que le "rear". Je vais les inverser pour voir comme tu me le conseilles. C'est un des rares switch que je n'ai pas encore réalisé.
- J'ai procédé à un swap du low pass amp et le résultat est le même tout comme le siège complet (j'ai pris celui de la scud race que j'avais en reserve. Là encore même résultat. Donc soit mes 3 caissons sont morts et je n'ai vraiment pas de chance soit c'est autre chose.

J'en suis même venu à incriminer le pc et le doubleur jack j'ai donc changé ce dernier pour un résultat similaire.

J'ai une dernière piste/hypothèse concernant la petite carte intérmédiaire avant le CN7. Je l'ai shuntée pour voir et j'ai toujours les mêmes soucis. Comment tu la relies toi au M3 Mega adapter?



A l'origine j'avais le câble "mixboard" qui était au centre sur le CN3 4 pins (là je suis en direct sur le CN7 du Mega adapter). Puis ça partait du CN3 5pins via un câble 4 fils sur le CN7.

Câblage CN8 -> Direct sur CN8 M3 Mega Adapter
Câblage Mixboard -> Carte intermédiaire 839-0542 ->  CN7 M3 Mega Adapter
Carte intermédiaire 839-0542 -> Câble CN9 relié à rien car il sert si j'ai bien compris tes/les explications à piloter les musiques avec le stack d'origine

Tibal

#27


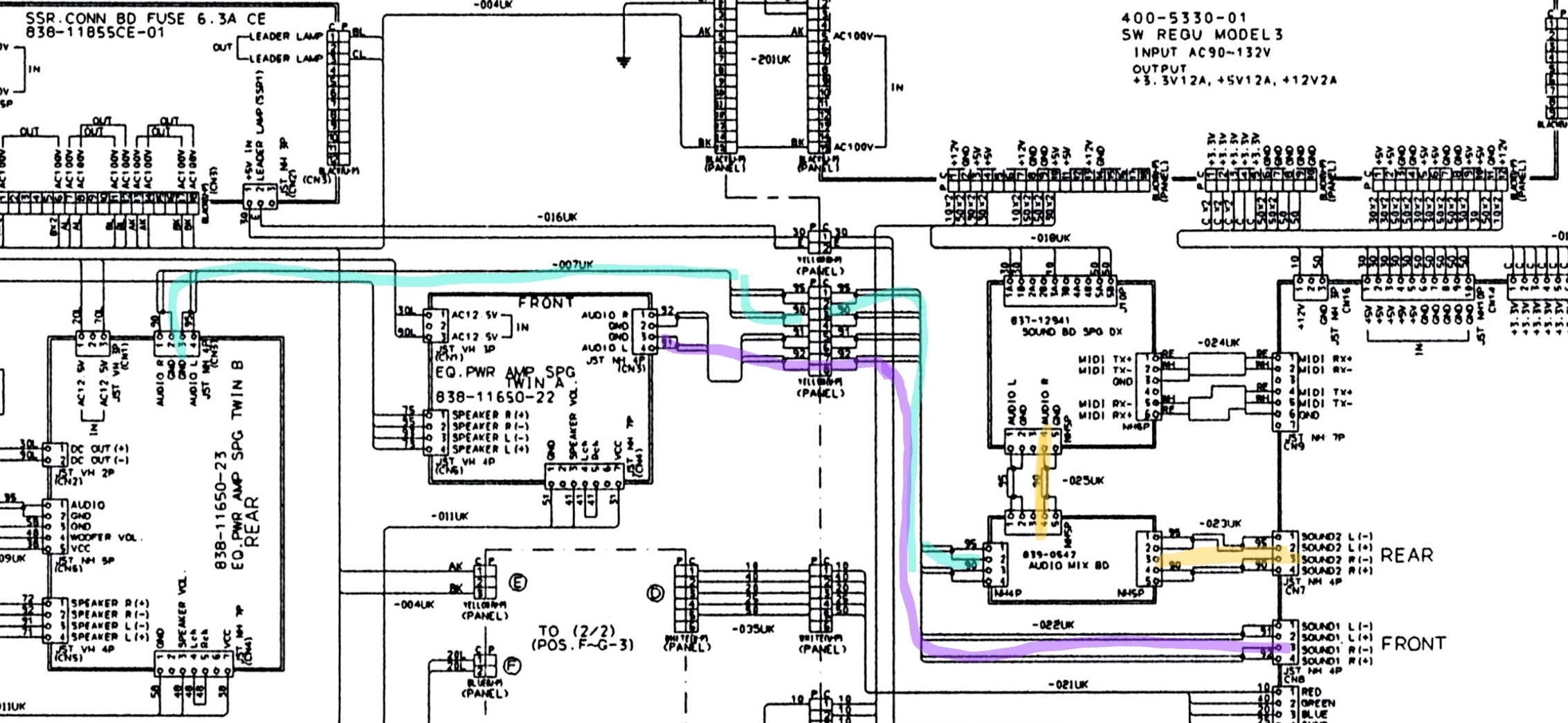
C'est parfois plus simple de regarder le schéma.

Comme tu le vois, la sortie son "Front" (CN8) du stack va directement à l'ampli front, en violet au dessus.

La sortie "Rear" (CN7) du stack va quant à elle à la mix board dont tu parles. Son volume y est réduit par les résistances qui y sont présentes si je ne m'abuse, et cette voie y est combinée  à la sortie de la Soundboard qui gère les musiques (en jaune).

Le mix ainsi produit sort vers l'ampli Rear (en bleu).

Donc, en l'absence de Soundboard quand on utilise un PC, si on ne change rien au câblage, et qu'on connecte son Mega Adapter là où irait le stack (ce que je fais sur mes cabs), ça me semble normal que le potentiomètre de volume Rear soit plus haut à volume égal...

Pour diminuer les parasites, je mets le son du PC à fond, puis je règle le volume souhaité dans la Coin Tower.

Quant au CN9, comme tu as dit, il sert à piloter la Soundboard, et ce n'est pas une sortie son. Il ne sert donc à rien avec un PC.


Corwin

Citation de: Tibal le Lundi 16 Février 2026, 14:55:20 PM


La sortie "Rear" (CN7) du stack va quant à elle à la mix board dont tu parles. Son volume y est réduit par les résistances qui y sont présentes si je ne m'abuse, et cette voie y est combinée  à la sortie de la Soundboard qui gère les musiques (en jaune).

Le mix ainsi produit sort vers l'ampli Rear (en bleu).

Donc, en l'absence de Soundboard quand on utilise un PC, si on ne change rien au câblage, et qu'on connecte son Mega Adapter là où irait le stack (ce que je fais sur mes cabs), ça me semble normal que le potentiomètre de volume Rear soit plus haut à volume égal...


Merci pour les infos, j'ai remis le passage du son par la mixboard pour le CN7. C'est la meilleure configuration actuellement même si ça n'a pas réglé le problème.

En attendant j'ai testé différentes cartes pour voir si les parasites étaient encore présents. Spoil: oui.

- Ampli Rear (Scud) ou global (F355) changés sur les deux sides : aucune différence
- low pass amp intervertis puis changés par du spare: idem

J'ai toujours un soufle important des deux côtés dans le siège (Normal?) et un gresillement marqué sur le siège du Scud (anormal en comparaison de celui du F355).

Il me reste à intervertir des Hp de siège et des caisons...

Corwin

Finalement pour les basses c'était juste un petit problème de membranes qui n'existent plus.  :bail:

Ça m'a rappelé les hp de blast en pire. J'ai commandé un nouveau HP pour tester je donnerai la ref si les résultats sont concluants.



Surpris d'avoir les trois caissons dans le même état mais c'est ainsi...


Corwin

#30


Premier test avec un boomer visaton KT100V choppé à vil prix. 7€ en promo sur un site dernier exemplaire en destockage. Ça sera probablement la seule bonne affaire de ce fil  :laugh:  . 4ohms, 25W et surtout un format qui permet de le fixer sans modification.

Ce n'était pas mon premier choix mais pour le test c'était un bon moyen sans dépenser une fortune.

Verdict: pas convaincu.

- volume sonore du boomer trop faible en comparaison du volume des hp Rear. Sensibilité trop faible (80db environ) il faudra viser un meilleur rendement car l'impossibilité de pouvoir contrôler le boomer seul est un problème.
- lors des tests le boomer semble toucher le plastique. Il ne mesure qu'un mm de plus  que l'original mais ça semble déjà trop
- il lui faut un volume plus grand pour s'exprimer. N'ayant pas d'original en état de marche je ne peux pas comparer mais je vais devoir en acheter un.

Je me demande si le HP d'origine est un vrai boomer ou un qui accepte aussi les bas medium.

Affaire à suivre.

Le souci principal étant le format très restreint du caisson. Je serais tenté par un 4,5 pouces mais ils sont trop gros.

L'autre solution serait de créer en medium un caisson maison pour se loger en lieu et place de celui d'origine. Sauf que de la place il y en a pas vraiment...

A suivre.

Little_Rabbit

Salut,

Ah c'est dommage qu'il ne fasse pas l'affaire ce boomer, car visuellement on pense qu'il convient parfaitement !...

Ne possédant pas de racecab Sega, je ne les connais pas bien : où ce caisson muni d'un boomer se situe-t-il dans la borne ?

A+
The early 80's : the arcade golden age !
Recherche bornes dédiées ou PCB originaux: Miss Pacman, Dig Dug, Galaga, Mappy, Asteroids, Battlezone, Missile Command, Tempest, Star Wars, Donkey Kong (+ Jr), Mario Bros, Moon Patrol, Defender, Joust, Frogger, Gyruss, Pooyan, Space Tactics, Zaxxon, etc. Flip : Gottlieb des années 80 (Spirit, Amazon Hunt, ...), Baby Pac Man. Divers :  Ice Cold Beer => Trois fois rien quoi ! :D
Ma séance sur le divan : c'est grave Docteur ? :-\
Ma gaming room, ma storage room