Gamoover

Vous aimez GAMOOVER ? Vous avez trouvé la perle rare grâce à notre forum ?
Alors pourquoi pas nous soutenir en effectuant un petit don Paypal sur : contribution@gamoover.net
C'est peut être un détail pour vous, mais nous, ça nous aiderait beaucoup !

F4brice 5 - Démon des pannes 0

Démarré par f4brice, Jeudi 15 Juillet 2010, 22:58:40 PM

alban45

Citation de: Fred G5 le Lundi 14 Juillet 2025, 17:20:05 PMOui avec un +5V faiblard la CPU fait un peu comme elle veut.
Peut être aussi des condensateurs chimiques un peu fatigués et check aussi la connectique entre l'alim et la CPU, des fois des cosses un peu oxydées génèrent des pertes

Bonsoir,

+1 cela vient souvent des condos et des connecteurs, après j'ai rarement vu le MC1723CP rendre l'âme, mais ils commencent a avoir de la bouteille.

f4brice

Bonjour.

Voici la suite (mais pas encore la fin) de cette réparation.

La Poste ayant décidé de prendre son temps pour me livrer ma commande de composants de rechange, j'en profite pour reprendre une réparation de gros porcasse :



Je dessoude les fils puis je retire la carte alim du flipper.



Avec de la tresse, je nettoie au mieux, et j'utilise un Dremel pour retirer toute l'oxydation.
La photo rend bizarre, mais les broches sont très propres, totalement désoxydées :



Voici le moignon du connecteur femelle :



Par chance, j'ai ce genre de connecteur en stock dans mon bazar.
J'en ai même un de 9 pins, donc pas besoin de trop bricoler.
J'échange le connecteur cuit par le mien, et je ré-insère les fils en force sur le peigne.
Sur la photo, il me reste le fil jaune à reconnecter :



Autre réparation : sur la carte CPU, les piles avaient coulé :



Il s'agit des piles qui sauvegardent les réglages du flipper, ainsi que les meilleurs scores.
On peut vivre sans, mais à chaque démarrage, le flipper voit des données vierges et exige que la porte avant soit ouverte par l'exploitant.
Je suis une grosse feignasse et j'ai juste pas envie de le faire à chaque fois que j'allume le flipper.

Je soude un autre coupleur que j'avais approvisionné depuis des années, sans avoir le courage de l'installer.
Cette fois, c'est fait :



Pendant ce temps, miss little F4brice adore le jeu de voiture de Pôpa :



Plusieurs jours après, j'ai enfin fini par enfin recevoir mon composant de rechange.



Merci La Poste : délai de 9 jours en tarif lettre verte, de la France vers la France...
Bon, oublions ça...

Donc j'installe le nouveau régulateur fraichement reçu... et.... nada !
L'alim est toujours trop faible.
Ça aurait été trop facile, surtout que pour le moment j'ai fait l'impasse sur les condos chimiques.
Ce n'était pas très plausible...
Je décide donc d'inspecter les condos chimiques liés au régulateur :



Le premier condo que je dessoude est totalement à l'agonie.
Je pense que c'est vraiment lui le coupable :



J'ai changé les 3 condos entourés en rouge, que j'avais neufs en stock.



Il faudrait que j'en change d'autres, mais je ne les ai pas immédiatement dipos dans mon bazar.
Il est temps de re-tester l'alim...

Je ne l'ai pas fait exprès, mais j'aurai du mal à avoir mieux :



Cette fois la carte CPU démarre immédiatement.
Le flipper semble réparé !
Je tente de jouer un peu.
En réalité, le flipper déconne complètement.
Je ne peux pas démarrer de partie.
Il a ses 3 billes, mais il me dit qu'il lui en manque 1.
Il la cherche un peu partout en activant certaines bobines.
Aucune bille n'est éjectée sur la droite, pour être lancée.

Soudain, c'est la cata totale.
Par chance, j'avais encore le fronton ouvert.
Je vois une lumière très très forte blanche / orange au niveau de certains transistors de puissance de la carte CPU, puis immédiatement après une épaisse et âcre fumée grise...
Je me précipite sur l'interrupteur marche/arrêt...

Ça pue à mort le cramé dans ma gameroom.

Les dégâts sont importants :







 :'(

À suivre : réparation de tous ces dégâts, et suite des investigations.
Purée, là le Démon des Pannes, il a dû en pisser dans son froc tellement il rigole...

th_vador

Citation de: f4brice le Samedi 26 Juillet 2025, 19:56:03 PM
C'est normal qu'il manque le pin du milieu là dessus? Pourtant tu as l'air de mettre un fil à cet endroit dans le connecteur...


Citation de: f4brice le Samedi 26 Juillet 2025, 19:56:03 PMPar chance, j'ai ce genre de connecteur en stock dans mon bazar.
Oh ben ça, c'est un surprise!  =:))
De l'arcade, de la console, des conneries, du Giga Wing 2. TomTom's Lair quoi!
Recherche : Altered Beast (Master System) | Streets of Rage (Megadrive) | Une borne DDR | Un flipper

f4brice

Citation de: th_vador le Samedi 26 Juillet 2025, 23:22:24 PMC'est normal qu'il manque le pin du milieu là dessus?

Oui c'est normal.
C'est un détrompeur, et normalement, le trou correspondant du connecteur femelle est bouché.
Ainsi tu ne peux pas mettre un autre connecteur à la place, ou insérer le connecteur décalé d'une broche.
Je crois bien que tous les connecteurs de ce flipper ont ce genre de détrompeur.

Citation de: th_vador le Samedi 26 Juillet 2025, 23:22:24 PMPourtant tu as l'air de mettre un fil à cet endroit dans le connecteur...

Sur la photo, on voit 4 fils blancs, une pin non connectée, puis 4 fils colorés :



th_vador

j'avais bien vu le pin non connecté, mais comme au dessus, tu disais
CitationSur la photo, il me reste le fil jaune à reconnecter
, je pensais qu'il allait être comblé sous peu.

Mais ok, pas de pin, pas de fil en face, ça semble cohérent ;)
De l'arcade, de la console, des conneries, du Giga Wing 2. TomTom's Lair quoi!
Recherche : Altered Beast (Master System) | Streets of Rage (Megadrive) | Une borne DDR | Un flipper

alban45

Bonjour F4brice,

Pour information, d'après mes lectures sur les data, et en ayant depuis quelques années,ne pas se fier aux plans, souvent ils sont bardés d'erreurs, ou non à jour.

Je me doute que tu vas certainement les repérer, ou que tu as déjà l'information.

Mais dans le doute je me permets de le souligner.

Bon courage à toi.

f4brice

Citation de: alban45 le Dimanche 27 Juillet 2025, 14:14:22 PMPour information, d'après mes lectures sur les data, et en ayant depuis quelques années,ne pas se fier aux plans, souvent ils sont bardés d'erreurs, ou non à jour.

C'est sympa de me prévenir, d'autant plus que je n'ai pas une grande expérience dans les flippers.
Je n'ai que ce Data East, et jusqu'à présent je n'avais touché qu'à l'afficheur qui avait juste des pins cassées au ras du verre.

Je me réfère à la doc pour comprendre le principe de fonctionnement de la carte, puis après je vérifie en direct-live sur la carte elle-même.
Jusqu'à présent, je n'ai pas trouvé trop d'âneries.
Mon problème c'est surtout de savoir que quoi cause la doc.

Exemple : la bobine "VUK" !?
Aucune idée de ce que c'était. Y'a fallu que je cherche sur internet pour comprendre le jargon.
(Vertical Upper Kicker = un truc qui éjecte la bille verticalement)

Wil2000

Je me permets de up un peu le sujet pour savoir si tu as finalement réparé tout ce qui avait cramé?

zebassprophet

hello F4brice et toujours content de voir ce topic (et dieu que c'est chaud le BMX)

Presque rassurée de voir que de ton coté y'a aussi des composants qui crament, je pensais être le seul à avoir une gameroom avec de l'aromatherapie de vieux condo vintage cramé à la maison ;)

bon courage msieur

f4brice

Bonsoir.

Voici la suite (et toujours pas la fin) de la réparation de mon flipper.
La dernière fois, j'avais des transistors explosés, libérant une douce aromathérapie de cramé dans ma gameroom.
Les transistors cramés sont ceux qui commandent des bobines.
Flipper toujours éteint, j'inspecte chaque bobine en tentant de la faire bouger à la main.
J'en trouve une - celle qui récupère la bille perdue et qui la remet dans le stock en attente - qui est complètement bloquée.



Je la démonte et elle passe sur la table d'autopsie.
Elle a tellement chauffé que l'isolant des fils de cuivre a fini par fondre, et les spires jointives sont entrées en court-circuit.
L'intérieur de la bobine est un blob de plastique fondu...
Clairement, la bobine a pris cher et elle a entrainé dans sa perte le transistor qui la commandait.





Je répare la carte CPU du flipper en changeant les transistors cramés et en réparant les pistes qui ont participé à l'aromathérapie de ma gameroom.



Avant de remettre sous tension le flipper, je laisse bien déconnecté le connecteur des bobines.
Ainsi, je ne risque pas bêtement de rejouer le même scénario et de tout re-cramer !

Je constate que le transistor qui commande la bobine ayant fondu est activé en permanence, alors qu'il ne devrait l'être que ponctuellement, uniquement lorsque le flipper en a besoin et seulement durant un court instant.
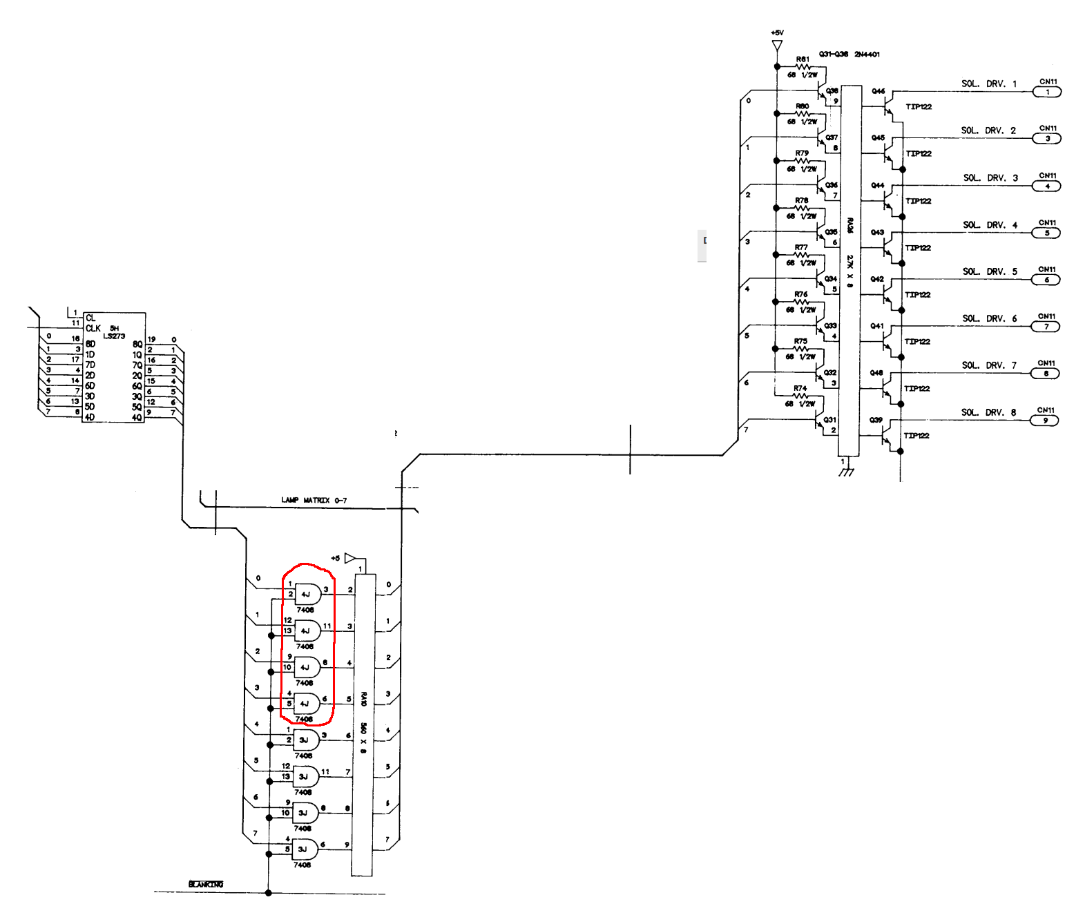
Grâce à l'oscilloscope, je remonte jusqu'à une porte AND située en 4J qui ne fait plus son boulot.





Si l'on regarde sur l'écran de l'oscilloscope, j'ai une entrée (signal jaune) qui est à l'état "1".
La 2e entrée (signal cian) est à l'état "0".
La sortie (signal magenta) devrait donc être à "0 AND 1" = "0".
Pourtant, elle est dans un demi-état intermédiaire à mi-chemin entre le "0" et le "1".
Cette valeur foireuse est suffisante pour activer le transistor en aval et alimenter la bobine correspondante.
Le Démon se planque là.



Je dessoude ledit composant en 4J :



Ensuite je place le composant sur le banc d'exorcisme TTL.
Le Démon des pannes est bel et bien démasqué.
Il y a même 3 des 4 portes AND du composant qui sont foireuses.


 
C'est un composant très standard que j'ai en stock.
J'arrive même a trouver dans mon stock un 74LS08 de chez National Semiconductor - la même marque que celui que j'ai dessoudé.
La différence, c'est que le mien est un "LS" (Low power Schottky) alors que celui d'origine est un "pas LS".
La différence est vraiment minime et pour cet usage ça ira bien.
Le numéro de lot est différent aussi. Mais là, ce serait du pignolage.
Le remplaçant est soudé :



Je remets le flipper sous tension, avec le connecteur des bobines toujours débranché par sécurité.
C'est bon, plus aucune bobine n'est commandée en permanence.

À suivre : remplacement de la bobine et tests.
Spoiler : le Démon est toujours là...

Maitre_Poulpi

Tiens j'étais passé à côté du démon sur le LW3 dis donc.
C'est toujours bien détaillé tes investigations, c'est inspirant et donne envie d'arriver à faire les mêmes choses  ^-

J'ai laissé de côté le mien qui a un soucis de son mais c'est un peu bizarre. J'ai changé le potard qui me semblait pas terrible mais la réparation n'a été qu'éphémère. Ce qui est curieux surtout c'est que j'ai parfois les voix et pas la musique et parfois c'est pas les bons sons qui sortent par rapport aux actions qui sont faites. Sinon le reste fonctionne bien.
Mais ça prend du temps ces "conneries" et y a toujours plus urgent à faire avant  :D
May the Gamooforce be with you !
À partir du moment où un fou sait qu'il l'est, peut-on toujours le nommer ainsi ?
Boulot, rétro, dodo... et un peu (beaucoup) de TATC© (Touche A Tout Compulsif)...
Le WIP en slip et le hack Sega en Pijama !
Poulpi's world