Gamoover

[move]Vous aimez la série Ricky la belle vie, Julio Iglésias ou l'émission Kohlanta ? Alors soyez les bienvenus sur Gamoover ! [/move]

[WIP] Lunar Lander (Atari, 1979)

Démarré par f4brice, Mercredi 31 Décembre 2025, 12:44:04 PM

Maitre_Poulpi

Oui c'est top parce qu'a delà que ça soit bien fait et bien expliqué, on apprend des trucs et ça c'est cool  ^-
May the Gamooforce be with you !
À partir du moment où un fou sait qu'il l'est, peut-on toujours le nommer ainsi ?
Boulot, rétro, dodo... et un peu (beaucoup) de TATC© (Touche A Tout Compulsif)...
Le WIP en slip et le hack Sega en Pijama !
Poulpi's world

maldoror68

Citation de: aganim le Vendredi 30 Janvier 2026, 12:34:49 PM:-((  ce suspense est insoutenable  =:))  vite la suite  :-)=


(merci F4brice pour ce récit passionnant)



Mais c'est toujours comme ça, c'est tellement bon à lire :)

f4brice

#50
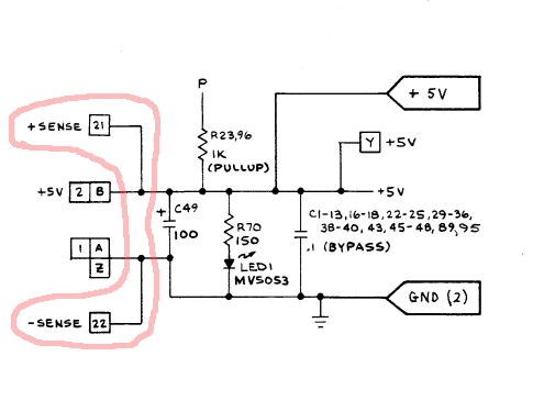
Bonjour.

Voici la suite de ce WIP.

Aujourd'hui, je teste l'alim "power regulator" en charge.
C'est cette alim qui doit fournir du +5V propre au PCB de jeu.
La dernière fois, j'avais mesuré que cette alim à vide était vraiment trop haute.

Pour tester en charge, je connecte sur la sortie +5V un bricolage de deux résistances de 2,7 Ω soudées en série.
Mon idée est de faire débiter environ 1 A à l'alim, et je n'ai pas de résistance de puissance de 5 Ω environ.
Nous avons donc 2 × 2,7 Ω = 5,4 Ω.
Sous une tension théorique de 5,0 V, cette charge va tirer I = U ÷ R = 5,0 ÷ 5,4 = 0,93 A.
L'alim va sortir P = U × I = 5 × 0,93 = 4,6 W.
Et chaque résistance va en dissipper la moitié : P = R × I² = 2,7 × 0,93 × 0,93 = 2,3 W.

J'installe mon multimètre sur les points de test de l'alim.
La charge est insérée dans le connecteur qui sort le +5V du PCB :



Je mets sous tension :



Là, ça change que d'alle.
Bon, mon test est en réalité foireux.
Pourquoi ?
Tout simplement parce que la mesure de tension requise par la boucle de contre-réaction de l'alim n'est pas câblée.

Voici l'alim :



Sur les bornes 2 et 3 du connecteur, l'alim veut un retour de mesure du +5V, de sorte à mieux réguler la tension de sortie, et à s'adapter à la charge.
Ainsi, l'alim dispose d'un retour de mesure au plus près du PCB, et sait s'adapter.
Durant mon test "en charge", ces bornes n'étaient pas connectées
Je pense que l'alim tente de compenser à fond.
Je suis donc obligé d'être un petit plus malin pour réaliser ce test en charge.
Quand on regarde le schéma de câblage, les 2 signaux de mesure d'alim vont bien jusqu'au PCB :



Et au niveau du PCB, ils sont simplement reliés à l'alim +5V pour la mesurer :



On retrouve bien ça sur le PCB :



À partir d'un adaptateur Jeutel, je fabrique un "faux" PCB qui va soutirer du courant à l'alim et correctement renvoyer les 2 signaux de mesure.
J'ai mis 1 seule résistance de 2,7 Ω, donc ça devrait faire un courant de 1,8 A environ ce qui est probablement encore en-dessous de ce que doit consommer le vrai PCB.



Je le branche sur le connecteur du PCB :



La mesure me paraît plus cohérente, sachant que j'ai réglé la valeur de sortie au minimum :



Finalement, je re-règle grâce au petit potard prévu ce que j'avais inutilement déréglé :



Je règle la sortie entre 5,1 et 5,2 V :



Il faudra que je reprenne ce réglage quand j'aurai connecté le vrai PCB.
J'ignore combien il consomme, mais à mon avis c'est plus que les 1,8 A de mon test.
Donc en tout cas, la carte "power regulator" fonctionne correctement.
Tout au moins sa partie régulation pour générer le +5V.
Il restera à tester la partie ampli audio monophonique.
On verra ça plus tard avec le PCB.

À suivre : bah on y est, on va bientôt tester le PCB ! :D

Zdouf

Merci f4brice!
J'ai du relire 3 fois la partie où tu expliques pourquoi la mesure n'est pas faite au bon endroit (à cause de mes connaissances, pas parce que c'est mal écrit !! ) et maintenant j'ai compris.
Vivement la suite !

Little_Rabbit

#52
Salut,

Citation de: Zdouf le Samedi 31 Janvier 2026, 09:31:20 AMJ'ai du relire 3 fois la partie où tu expliques pourquoi la mesure n'est pas faite au bon endroit (à cause de mes connaissances, pas parce que c'est mal écrit !! ) et maintenant j'ai compris.

Ce n'est pas exactement que la mesure n'était pas faite au bon endroit, mais plutôt que la mesure en l'état ne pouvait pas être bonne car l'alimentation n'était pas reliée au PCB pour lequel elle est prévue :).

Ces alimentations ATARI ont une boucle d'asservissement qui cherche à ajuster la tension fournie selon ce que le PCB consomme. Pour que la tension ne chute pas, l'alimentation "regarde/mesure" comment est le 5V in-situe. Cette valeur in-situe est injectée dans la boucle d'asservissement pour ajuster en permanence le 5V.

Dans la théorie c'est très bien, mais dans la pratique cela peut parfois poser des problèmes : notamment si le connecteur bord de carte par lequel l'alimentation du PCB se fait tend à s'oxyder, cela peut entraîner une résistance qui va être compensée par la boucle d'asservissement. Selon l'intensité présente, la résistance peut finir par provoquer un échauffement, et quand on sait qu'un métal chaud est plus résistif qu'à froid, cela augmente encore la résistance qui va inciter l'alimentation à booster un peu plus le 5V. On entre alors potentiellement dans un cercle infernal qui peut conduire à griller soit le connecteur, soit le PCB si cela s'emballe et envoie beaucoup plus que le 5V attendu :). C'est la raison pour laquelle il n'est pas rare de tomber sur des PCB dont les broches d'alimentation ont grillé.

J'en parlais ici dans mon WIP Pole Position (car ATARI utilise ce type d'alimentation sur la plupart de ses bornes ;)).

Merci @f4brice pour l'explication sur les éclateurs ! J'ai moi aussi appris quelque chose : je ne connaissais pas du tout ces bestioles ! :)

A+
The early 80's : the arcade golden age !
Recherche bornes dédiées ou PCB originaux: Miss Pacman, Dig Dug, Galaga, Mappy, Asteroids, Battlezone, Missile Command, Tempest, Star Wars, Donkey Kong (+ Jr), Mario Bros, Moon Patrol, Defender, Joust, Frogger, Gyruss, Pooyan, Space Tactics, Zaxxon, etc. Flip : Gottlieb des années 80 (Spirit, Amazon Hunt, ...), Baby Pac Man. Divers :  Ice Cold Beer => Trois fois rien quoi ! :D
Ma séance sur le divan : c'est grave Docteur ? :-\
Ma gaming room, ma storage room

f4brice

Toutafé !

Un autre défaut de ces alimentations Atari, outre ce qu'a parfaitement souligné @Little_Rabbit , c'est la possibilité que le retour de courant (le fil GND) se fasse aussi via le fil SENSE- lorsqu'il y a de l'oxydation.
Or ni ce fil ni les pistes en cuivre, ni le circuit correspondants ne sont prévus pour ça.
En général, c'est à ce moment là que ça crame.
C'est une maladie chronique des bornes Atari anciennes.
Vous en avez un exemple flagrant dans ce message isssu du WIP de ma borne Breakout.
Je pense que cette borne Lunar Lander n'est pas restée assez longtemps en exploitation pour souffrir de ce mal.

djalex

Salut,

quel serait alors la solution pour ne pas tout cramer ?
-----------------------------------
Association loi 1901
Asso Lyonnaise
www.ARCADEINTHEBOX.com

Mario25

#55
Citation de: djalex le Samedi 31 Janvier 2026, 16:38:19 PMSalut,

quel serait alors la solution pour ne pas tout cramer ?

Salut,

Il est possible de supprimer cette fonction qui peut potentiellement faire plus que de mal que de bien en pratiquant le "Sense mod".

Je l'ai réalisé sur ma Pole Position en suivant les explications de Little_Rabbit:

https://www.gamoover.net/Forums/index.php?topic=23538.msg603133#msg603133

L'auteur du mod:

https://bitslicer.tripod.com/ar_sense_mod.htm

djalex

-----------------------------------
Association loi 1901
Asso Lyonnaise
www.ARCADEINTHEBOX.com

f4brice

Bonjour.

Voici la suite de ce WIP.

Aujourd'hui, c'est le grand jour : je vais tenter de mettre le PCB sous tension !
Pour le moment, tous les tests réalisés sont bons.
Les alims sont bonnes, la carte régulation fonctionne correctement.

Préalablement à cette mise sous tension, je veux désoxyder les pistes du PCB qui s'insèrent dans le connecteur.
Je ne sais pas si la photo rend bien, mais elles sont un peu "ternes" :



Il existe un genre de gomme spécifique pour nettoyer les pistes, mais je n'en n'ai pas.
Du coup, j'utilise une simple gomme d'écolier qui dispose de 2 côtés.
Le côté rouge permet de gommer du crayon de papier, mais c'est l'autre côté qui m'intéresse.
Le côté bleu est bien plus abrasif sans toutefois vraiment trop arracher.
Sincèrement, je ne sais pas trop quel usage est prévu à l'origine, car sur du papier ça a vite fait de tout défoncer et de faire un trou.



Par contre, sur des pistes de PCB, ça fait des merveilles.
Notez sur la droite, près de la piste "A", on voit que le PCB a très légèrement roussi, signe d'un début de la maladie des PCB Atari anciens.



L'autre côté est bien-sûr désoxydé lui aussi.
Les traces de roussi sont maintenant sur la gauche, au niveau de la piste "1".



Je peux maintenant remettre le PCB à sa place dans la borne, et rebrancher son connecteur :



Je tente alors une mise sous tension de la borne...
Bon, il ne se passe rien de particulier...
Le haut-parleur crache un peu puis se coupe. Aucun son ne se fait entendre.
Il n'y a rien d'inquiétant là.
L'écran étant 100% débranché, il est inutile d'y jeter un œil.

Côté panel, on dirait qu'il y a de la vie.
Les lampes des 4 missions sont toutes allumées, ainsi que LEFT, RIGHT et ABORT.
Il ne se passe rien quand j'appuie sur les boutons :



Bon, c'est normal, la borne n'est pas en free play.
En appuyant sur le contact sous le monnayeur de 5 francs, je tente de mettre des crédits.
Hum hum, on dirait qu'il y a bel et bien de la vie.
SELECT et START sont maintenant allumés tous les deux, et seule la première mission est allumée.
Si j'appuie sur SELECT, je peux changer de mission : entraînement, petite mission, mission de vol, grande mission, etc..
Quand j'appuie sur START, j'ai un bruit de réacteur dans le haut-parleur, et si je pousse le réacteur, le bruit se fait plus fort.
On dirait bien que j'ai pu lancer une partie !?



Du coup, je sors vite l'oscilloscope et je le branche sur les sorties X et Y du PCB.
Ce sont des sorties analogiques prévues pour piloter les déviations horizontale et verticale du moniteur.
Je confirme qu'il y a bien de la vie dans ce PCB :



Voici quelques captures d'écran de l'oscillo...

En attract mode, j'ai ça :



Dès que je mets un crédit, ça se change en ça :



Ensuite, dès que j'appuie sur START, ça se change ensuite en ça :



J'ai un peu galéré à retrouver où se trouve la fonction, mais j'ai réussi à passer mon oscilloscope en mode X-Y.
C'est à dire qu'une entrée de mesure gère la position X sur l'écran de l'oscillo, et une autre entrée gère la position Y.
C'est exactement la même chose que le moniteur vectoriel à un détail près : mon oscilloscope n'a pas la capacité à "éteindre" le spot (ce que le PCB appelle le "Z").
Donc tous les mouvements "invisibles" de spot demandés par le PCB (pour tracer des zones qui ne sont pas contigües) seront visibles sur mon oscillo.
Je pense que j'aurai un peu de bouillie vectorielle, mais j'espère reconnaître plus ou moins jeu.

Quand je lance une partie, j'ai ça...
Je pense qu'en haut à gauche, ce sont les infos sur la partie (temps, carburant, etc...).
En haut à droite, ce doit être les infos sur les vitesses du Lander.
Le petit machin entouré, il se déplace vers la droite et vers le bas, donc je pense que c'est le Lander lui-même.
Enfin, les vagues en bas, je pense que c'est la surface de la Lune !



Quand le Lander s'approche assez de la surface de la Lune, ça se change en ça :



J'ai toujours les deux probables affichages de temps / carburant / vitesses.
Le machin entouré du rond rouge se déplace plus vite et se casse la gueule à vitesse grand V.
On dirait que la surface de la Lune est effectivement zoomée comme elle doit l'être durant le jeu quand le Lander s'en approche assez.

Enfin, quand le Lander touche la surface de la Lune, j'ai un beau bruit de crash, et ce que je suppose être des débris qui partent en feu d'artifice :



Donc, en conclusion, cet essai est très positif.
Je pense que le PCB fonctionne globalement bien.
Il crédite, lance une partie, gère le son, gère les boutons et le potard pour le réacteur du Lander.
Il semble vouloir dessiner correctement les vecteurs à l'écran, mais pour le moment, j'ignore encore s'il y a des bugs ou pas.

À suivre : ce serait bien de voir ce que ça donne sur l'écran de la borne, non ?  :D

Little_Rabbit

Salut,

C'est génial ça !!  :-)=

Un PCB fonctionnel dès le premier essai !  :-*
C'est Spectro qui va regretter de t'avoir vendu sa borne :D !

J'espérais bien que tu nous fasses un test avec le mode XY d'un oscilloscope 8) : tu pourrais nous en faire une petite vidéo pour le fun ? :)

Vivement la suite et le test du moniteur !

Cela me donne envie de wiper mon PCB Asteroids qui dort dans un carton depuis des années !...

Citation de: f4brice le Dimanche 01 Février 2026, 21:34:15 PMDu coup, j'utilise une simple gomme d'écolier qui dispose de 2 côtés.
Le côté rouge permet de gommer du crayon de papier, mais c'est l'autre côté qui m'intéresse.
Le côté bleu est bien plus abrasif sans toutefois vraiment trop arracher.
Sincèrement, je ne sais pas trop quel usage est prévu à l'origine, car sur du papier ça a vite fait de tout défoncer et de faire un trou.



Le côté bleu avait pour prétention d'effacer l'encre du stylo à bille ou stylo-plume. Mais comme tu le soulignes, c'est hyper abrasif aussi fallait-il y aller mollo, et avoir un papier d'un grammage assez élevé sans quoi tu perçais ta feuille de papier.

Quant à ta gomme, tu peux la garder précieusement, ou nostalgiquement, car Maped, entreprise Française, a tout récemment annoncé la fermeture du site historique près d'Annecy en Haute-Savoie (site qui fabriquait ses gommes et compas) pour la délocaliser à l'étranger :'(

A+
The early 80's : the arcade golden age !
Recherche bornes dédiées ou PCB originaux: Miss Pacman, Dig Dug, Galaga, Mappy, Asteroids, Battlezone, Missile Command, Tempest, Star Wars, Donkey Kong (+ Jr), Mario Bros, Moon Patrol, Defender, Joust, Frogger, Gyruss, Pooyan, Space Tactics, Zaxxon, etc. Flip : Gottlieb des années 80 (Spirit, Amazon Hunt, ...), Baby Pac Man. Divers :  Ice Cold Beer => Trois fois rien quoi ! :D
Ma séance sur le divan : c'est grave Docteur ? :-\
Ma gaming room, ma storage room

f4brice

Citation de: Little_Rabbit le Dimanche 01 Février 2026, 22:36:12 PMJ'espérais bien que tu nous fasses un test avec le mode XY d'un oscilloscope 8) : tu pourrais nous en faire une petite vidéo pour le fun ? :)

Alors j'ai la vidéo de toute prête.
Le problème c'est son hébergement.
Je boycotte ces fumiers de youtube, et j'ai même cloturé mon compte.
Si quelqu'un a une idée pour l'hébergement, autre que la crotte sus-nommée, je vous la partage avec plaisir !

f4brice

Citation de: Little_Rabbit le Dimanche 01 Février 2026, 22:36:12 PMQuant à ta gomme, tu peux la garder précieusement, ou nostalgiquement, car Maped, entreprise Française, a tout récemment annoncé la fermeture du site historique près d'Annecy en Haute-Savoie (site qui fabriquait ses gommes et compas) pour la délocaliser à l'étranger :'(

 :'(  :'(  :'(

gottlieb

 :-)=  :-)=  :-)=
Elles sont magnifique ces captures à l'oscillo  :-*
Vivement le résultat avec l'écran vectoriel  ^-
Le panel avec les loupiottes d'allumées ça le fait grave, j'imagine ton bonheur quand tu a vu tout s'allumer et le CPU vivre  8)

Pour ce qui est de la gomme, elle sera peut être refaite, mais à l'étranger  ;)
Pour ma part, j'utilise une gomme fibre de verre pour nettoyer les pistes oxydées nous utilisions cette gomme, pour gommer l'encre de chine sur les calques des plans industriel avant la DAO  ;)




A la maison  ;)
bornes: racecab speed up Gaelco et Ridge racer, table cocktail Taito SI part II ,cockpit Sega Space tactics, 1 borne Karateco, 3 bornes Jeutel, tactile megatouch , Naomi 1, Naomi 2, title fight sega, Time crisis 2 et 3 DX, HOTD2 et 1 mini borne enfant
flipper: silver slugger, pin bot, Whitewater,Indianapolis 500 Earth wind and fire
Billard: superleague diplomat
dart: Lowen royaldarts ...
Pashislot: Hokuto no ken
Jukebox jupiter mirage 120 et Atari Hit Parade 144
babyfoot Roberto sport
Ma gaming room :-*

Zdouf

Moi je dis que ça sent l'happy ending pour l'épisode final de ce super WIP...

f4brice

Bonjour.

Voici la suite de ce WIP.
La dernière fois, j'avais constaté que le PCB semblait vouloir dessiner des vecteurs sur l'écran.
Branchées sur l'oscillo, ses sorties X et Y génèrent de la bouille dans laquelle on reconnait plus ou moins le jeu.
Maintenant, il est temps de tester et démarrer l'écran vectoriel.

J'avoue que j'avais un poil anticipé le test de l'écran il y a quelques semaines.
C'était quand je l'avais sorti de la borne pour le nettoyer.
J'en avais alors profité pour tester rapidement certains éléments alors très faciles d'accès.
Je parle de ceux là :



En 1 et en 2, ce sont les deux gros amplis X et Y.
Chacun de ces 2 amplis est constitué de 2 transistors bipolaires complémentaires (un NPN et un PNP) en boîtier TO3 montés sur un gros radiateur.
En 3, c'est simplement le connecteur où se branche le yoke du tube : les 2 bobines de déviation.

J'avais testé Q707, le transistor PNP de la déviation X, qui était bon :



Et son collègue Q708 toujours déviation X mais en version NPN, bon lui aussi :



Passons côté déviation Y.
J'avais testé Q607, le transistor PNP. Il était bon :



Et aussi Q608, le transistor NPN, toujours pour la déviation Y.
Il était bon :



Vu que c'était bien accessible sur mon établi et en plus avec les cartes retirées, j'avais aussi testé la bobine de déviation horizontale.
Mon outil avait mesuré une inductance (une bobine) de 1,4 mH et de 2,35 Ω.
C'est tout à fait plausible.



Enfin, j'avais testé la bobine de déviation verticale.
Elle avait été mesurée à 1,65 mH et 1,7 Ω.
Là aussi, c'est très plausible.



Quelques semaines plus tard, de retour dans la borne, sachant que j'ai déjà testé la tension d'alim en entrée de l'écran, je veux vérifier la partie alim interne à l'écran.
Le connecteur qui apporte l'alim à l'écran est rebranché (à gauche sur la photo).
Pour le moment, le connecteur qui alimente la carte ampli X/Y/Z et la carte THT reste débranché (à droite sur la photo).



Il n'y a que 2 alims à tester, le +25 V et le -25 V (en rouge).
Tester l'alim "HV SUPPLY" (bleu) est inutile. C'est juste le +25 V avec un filtre en plus.
Si le filtre est mort, je le verrai tout de suite.
Enfin l'alimentation 6,3 V AC a déjà été testée.
Pour cette dernière alim, la carte alim de l'écran ‒ hormis la résistance R104 ‒ ne fait que du report de connecteur.
Si toutefois R104 était grillée, je le verrai rapidement et ce serait très simple à dépanner.



Le +25 V semble correct.
Il est un poil haut, mais on est à vide.



Le -25 V est lui aussi dans les clous :



Cette fois je rebranche tous les connecteurs internes de l'écran.
Seul le connecteur qui apporte les signaux X, Y et Z en provenance du PCB reste débranché.
D'une part, je pense que ces signaux sont corrects, ou en tout cas il y a une activité cohérente à cet endroit.
D'autre part, si l'écran a une très grosse panne, je préfère isoler le PCB de jeu et éviter de le cramer avec un retour de courant violent.



Il est temps de mettre sous tension l'écran...



Notez que la base du tube est orange.
Sur cet écran, ça ne veut pas dire que la THT fonctionne.
C'est juste une confirmation que le 6,3 V AC est bon, que le câblage l'est lui-aussi, et que le filament à l'intérieur du canon à électron n'est pas grillé.
Notez aussi qu'à droite sur la photo, une loupiotte rouge est allumée.

Il s'agit en fait du témoin d'activation de la sécurité "SPOT KILLER" de l'écran :



Cette sécurité a pour but, en l'absence de balayage X et Y, de forcer coûte que coûte l'extinction du spot pour ne pas cramer le tube cathodique.
Quand cette sécurité est active (ce qui est bien le cas durant mon test), le transistor Q503 est actif est va forcer la base de son copain Q504 à 0V.
Le copain Q504 est alors bloqué et le spot est forcé éteint.

Bon, bah il me semble que l'écran est volontaire pour reprendre du service.
Il est temps maintenant de reconnecter la sortie du PCB à l'écran, et de faire un test avec tout de branché...

3...

2...

1...

GO !

(pas de fumée)...

Tadaaaaaaaaa :
(Notez ma tronche de moule, alors que je tente de prendre une photo avec ma bouse de téléphone)



Certains ici pourraient se dire : "han, mais il est tout pété son écran".
En fait, ma réaction ça a été : "YEEEEEEEEEEEESSSSSSS" !

Pourquoi "YES" ?
Tout simplement parce que le transfo THT de la borne ‒ le seul et unique élément que je ne suis pas en mesure de pouvoir réparer ‒ fonctionne.
Donc c'est une très très bonne nouvelle.

Maintenant, quand je vois l'image sur l'écran, je constate que la déviation Y ne fonctionne pas du tout et que la déviation pour les X positifs (la moitié droite) ne fonctionne pas non plus.
Pour moi, ce n'est vraiment rien de grave.
J'ai sûrement des transistors intermédiaires de cramés dans les amplis X et Y.
J'ai juste à les identifier et à les changer.
Avec l'oscilloscope, ça ne devrait pas trop poser de problème.

À suivre : Réparation de l'écran !  :)